
新聞資訊
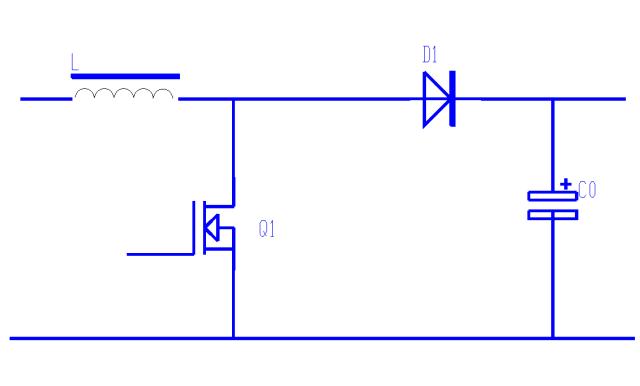
輸入輸出電壓關(guān)系
開關(guān)管電流
開關(guān)管電壓
二極管電流
二極管反向電壓
BOOST電路

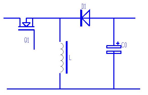
輸入輸出電壓關(guān)系
開關(guān)管電流
開關(guān)管電壓
二極管電流
二極管反向電壓
BUCK BOOST電路

輸入輸出電壓關(guān)系
開關(guān)管電流

開關(guān)管電壓
二極管電流
二極管反向電壓
SEPIC電路

輸入輸出電壓關(guān)系
開關(guān)管電流
開關(guān)管電壓
二極管電流
二極管反向電壓
FLYBACK電路

輸入輸出電壓關(guān)系
開關(guān)管電流
開關(guān)管電壓
二極管電流
二極管反向電壓
FORWARD電路

輸入輸出電壓關(guān)系
開關(guān)管電流
開關(guān)管電壓
二極管電流
二極管反向電壓
2 SWITCH FORWARD電路

輸入輸出電壓關(guān)系
開關(guān)管電流
開關(guān)管電壓
二極管電流
二極管反向電壓
ACTIVE CLAMP FORWARD電路

輸入輸出電壓關(guān)系
開關(guān)管電流
開關(guān)管電壓
二極管電流
二極管反向電壓
HALF BRIDGE電路

輸入輸出電壓關(guān)系
開關(guān)管電流
開關(guān)管電壓
二極管電流
二極管反向電壓
PUSH PULL電路

輸入輸出電壓關(guān)系
開關(guān)管電流

開關(guān)管電壓
二極管電流
二極管反向電壓
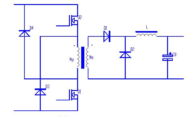
FULL BRIDGE電路

輸入輸出電壓關(guān)系
開關(guān)管電流
開關(guān)管電壓
二極管電流
二極管反向電壓
PHASE SHIFT ZVT

輸入輸出電壓關(guān)系
開關(guān)管電流
開關(guān)管電壓
二極管電流
二極管反向電壓